
図❶ 杭基礎の被害要因
能登半島地震における建物の倒壊
令和6(2024)年1月1日に発生した能登半島地震において、輪島市に建っていた7階建てのRC造建物が倒壊した。被害原因は現在調査中であるが、昭和48(1973)年に建設された杭基礎のこの建物は地面にめり込む状態で倒壊し、隣接の3階建て木造家屋を押し崩し、2名の人命が失われた。基礎・地盤による建物の被害は、昭和39(1964)年新潟地震において地盤の液状化により複数の建物が倒壊した被害や、地中の杭が損傷して建物が沈下し、傾くなどの被害が報告されているが、非木造建物の倒壊により人命が失われることは国内では初めてであった。杭基礎の被害要因には、図❶に示す地震時の変動軸力に対する支持能力不足、地震時の水平力に対する横抵抗不足、地盤の液状化に伴う杭の支持能力と横抵抗力の著しい低下が考えられる。今回倒壊した建物が軟弱地盤上に建つ杭基礎の建物であることから、首都圏で直下型地震が発生した場合、軟弱地盤に建つ建物に甚大な被害が発生することを懸念する報道があった。しかしながら、東京都では安全なまちづくりを旧来から目指しており、東京都建築士事務所協会が発行し東京都建築構造行政連絡会監修の建築構造設計指針に基づき安全性が高い設計を行うことが推奨されてきた。この指針の内容は社会に十分に伝わっていないようであるため、諸先輩から受け継いできた東京の耐震安全性確保のためのこの指針の要点などを含めて以下に紹介する。

表① 建物基礎および杭の設計に係わる基規準と建築構造設計指針

図❷ 高さ31m超の部分の設計震度の割増し

表② 既製コンクリートパイルの標準支持力(ton)

表③ 場所打ちコンクリート杭の長期支持力の上限値(t/本)

表④ 現行法における建物の耐震クライテリア

表⑤ 被害ランク

図❸ 中高層建物の根入れ深さ(D)
基礎杭の設計規準と建築構造設計指針
建築物基礎および基礎杭の旧来の耐震設計方法については、上部構造と異なりその実態が十分には把握されていない。建物・基礎杭の設計に係る基規準の変遷を表①中央欄に、『建築構造設計指針』の変遷を表①右欄にまとめる。関東大震災の翌年である大正13(1924)年に市街地建築物法に建物の設計震度が規定され、上部構造の耐震設計はこの時期に開始されたといえる。地中深く打ち込まれた杭に水平力が作用する場合の応力計算式(changの式)が昭和12(1937)年に米国土木学会で発表され、地震力に対する杭の設計も旧くから行われていた可能性はあるものの、その実態は把握されていない。昭和8(1933)年には『鉄筋コンクリート構造(RC)計算規準』が、昭和25(1950)年には建築基準法が、昭和35(1960)年には『建築基礎構造設計規準』(以下、基礎規準)が制定され、建物および基礎の設計方法はこの時期に確立されたといえる。杭については昭和45(1970)年版基礎規準において許容支持力が極限支持力の1/3と規定されており、昭和49(1974)年版基礎規準において杭の水平力に対する検討方法が記述されている。一方、東京都では昭和41(1966)年に『建築構造設計指針』が発刊され、この指針は建築技術の進歩に応じた都市の立体化と高層化の傾向に対応し、構造耐力上の安全性を確保するためとしている。昭和47(1972)年改定2版では、高さ20m超の建物の柱帯筋に13φ@100を求め、高さ31m超の部分の設計震度を図❷に示すように1.5倍に割増すなど、中高層建物の耐震性能の確保が図られた。また杭基礎については、N値50以上の良好な地盤に支持させることを条件に、既製コンクリートパイルについて表②の標準支持力を示すなど、杭支持力の確保に寄与してきた。さらに、昭和54(1979)年改訂第3版では、杭の支持力算定において液状化の恐れがある地盤の周辺摩擦力をみないこと、場所打ち杭では表③に示す値を長期支持力の上限とし、杭の先端を良質な地盤に1.0mかつ杭径以上貫入することを求めている。
昭和43(1968)年十勝沖地震における建物の被災を踏まえ、昭和52(1977)年には既存建築物の耐震診断基準が日本建築防災協会から発刊され、昭和56(1981)年には建築基準法が新耐震基準に改正された。これ以降の建物には表④、表⑤に示すように震度5弱の地震動に対し目標性能を小破せずとし、クライテリアを短期許容応力状態、震度6強~7の地震動に対して目標性能を大破・崩壊せずとし、クライテリアを保有水平耐力以下とする2段階の地震に対する耐震設計が求められることとなった。しかしながら、建物基礎についての耐震設計上の法整備は上部構造に比較して遅く、昭和59(1984)年に『地震力に対する建築物基礎の設計指針』、平成13(2001)年に国土交通省告示第1113号において地盤の許容応力度および杭基礎の許容応力度が定められたが、2次設計に対するクライテリアは定められていない。
一方、昭和60(1985)年『建築構造設計指針』(改訂4版)では、5階建て以上の建物に杭の水平力に対する検討を求めるとともに、高さが20mを超え60m以下の建物を対象に高層建築物に関する構造設計指針(案)が策定され、図❸に示す建物の地盤への根入れ深さなどが規定され、中高層建物の耐震性能の確保が図られてきた。

表⑥ 基礎診断建物の概要

表⑦ 基礎の傾斜による被害ランク 3)

図❹ 被災度と耐震指標(Isf)の関係

図❺ 上部構造Isと基礎Isfの関係

図❻ 設計年と基礎Isfの関係
既存基礎杭の耐震性について
(1)昭和39(1964)年 新潟地震における杭の被害新潟地震では新潟市内の広範囲に地盤の液状化が発生し、橋脚などの土木建造物や建築物が傾斜するなどの被害が生じた。文献1)では、この地震で大きく傾斜した建物を建て起こし、新設した杭上に移動して復旧した事例や、地震で約1.8m沈下したものの上部構造には損傷がなかった建物を地震後にジャッキアップして再利用し、15年後の改築時にRC杭を発掘調査した結果、杭中間部および先端部付近でコンクリートの圧壊、鉄筋の座屈が見られた事例を報告している。
(2)既存建物の基礎の耐震診断
阪神大震災では、基礎の被災により建物に構造上、機能上の被害を受けた事例が多く見られたことから、文献2)では上部構造の構造耐震指標(Is)と同様に建物の基礎についても耐震性能を基礎の耐震指標(Isf)に評価することを提案し、杭基礎、直接基礎の建物21棟について基礎の耐震性能を検討している。ここでは表⑥に示す杭基礎の建物10棟の基礎の耐震性能(Isf)を(1)式により算定した検討結果について紹介する。
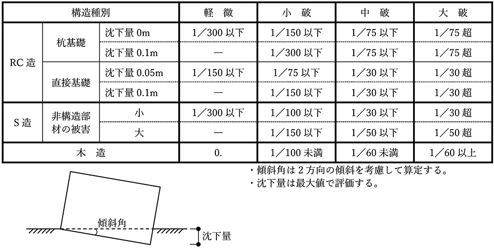
建物の所在地は神戸市が7棟、東京都が2棟、横浜市が1棟で、液状化の恐れがある地盤の建物が半数ある。基礎の耐震指標(Isf)はX、Yの2方向について算定されている。この検討では、基礎の被災度を5棟については杭の掘出し調査を行い、他は建物の傾斜角や外観調査により区分し、以下の結果を報告している。基礎の傾斜による被害ランクを表⑦に示す。
①杭基礎では、基礎の耐震性能Isfが0.60以上の建物では小破を超える被害が生じていない。(図❹)
②上部構造のIsより基礎の耐震性能Isfが大きい傾向が認められる。(図❺)
③設計年による基礎の耐震性能の違いは顕著でなく、1984年地震力に対する建築物基礎の設計指針前後で基礎の耐震性に大きな変化は認められていない。杭種別による差が認められ、既製杭は場所打杭よりも耐震性能が小さい傾向がある。(図❹、図❻)
(3)東京都耐震化条例による耐震診断
東京都では平成23(2011)年3月に緊急輸送道路沿道建築物の耐震化を推進する条例を制定し、沿道建物の耐震化を推進してきた。東京都建築士事務所協会では、この条例に基づき実施された約2,500棟の耐震診断に対して耐震診断確認を、約3,000棟の耐震診断等に対して耐震評価を令和6(2024)年までの13年間で実施し、診断等の妥当性を評価してきた。耐震診断では大地震が発生した時の建物安全性の評価に加え、外観・劣化調査による過去の地震での上部構造のひび割れ発生状況を、不等沈下調査による基礎の健全性の確認を、報告書に記載することを求めてきた。
東京都内の地域は平成23(2011)年東日本大震災において震度5(弱)~震度5(強)の揺れを経験している。表④および表⑦を照らし合わせると、震度5(弱)の地域では建物に「軽微」の被害、震度5(強)の地域では建物に「小破」の被害、震度5(弱)の地域では建物基礎に「1/300以下」の傾斜、震度5(強)の地域では建物基礎に「1/150以下」の傾斜を受ける可能性があったといえる。しかしながら、この13年間における非木造建物を対象とした耐震診断結果の審査において、建物および基礎について上記の被害は報告されていない。

図❼ 1次設計用の地震力の概念 3)

図❽ 高層評定の設計用地震力と現行法による設計用地震力の比較 3)

表⑧ 密集市街地における目標性能の目安 3)

表⑨ 必要保有水平耐力の割増し3)

表⑩ 基礎構造への要求性能の一例 3)

表⑪ 好ましくない崩壊モード 3)

表⑫ 杭応力の算定方法 3)
建築構造設計指針2019
最新版の『建築構造設計指針2019』は、1章~10章を東京都建築士事務所協会構造技術専門委員会で執筆し、11章~12章を東京都建築構造行政連絡会が執筆している。第1章では建物に求められる性能を記述しており、現行法の耐震設計基準では一次設計に用いる地震動が建物の高さに応じて増大する傾向があるものの、図❼に示すように中高層(高さ20m~60m)の建物では設計用地震力が連続的に増大していないため、設計用地震力の割増しが必要であることを指摘している。この割増しの必要な程度を把握するため、地震応答解析に基づく耐震設計が行われた高層評定で採用された1次設計用の地震力(ベースシアー係数)と、現行法による1次設計用地震力(ベースシアー係数)を図❽において比較している。図中の赤線は鉄骨造(S造)の高層評定で採用された地震力、緑の点線はS造建物(建物周期=0.03H(高さ))に求められる地震力であり、両者の比は1.56となる。図中の黄色の曲線は鉄筋コンクリート造(RC造)の高層評定で採用された地震力、青の点線はRC造建物(建物周期=0.02H)に求められる地震力であり、両者の比は0.94となる。東京のように中高層建物が密集している地域において建物に付与すべき耐震性能は、建物が被災した場合に社会に与える影響度の大きさに応じて設定する必要があるとし、目標性能の目安を建物の高さに応じて表⑧に示すように、高さ20m以下では大破・倒壊せず、高さ20~55mでは高さに応じて設定、高さ55m超では中破せず、としている。これらを踏まえ、密集市街地の建物に求める保有水平耐力を表⑨に示すように、地震時の変形が大きいS造では高さ20m以下では割増しは不要、20〜60mでは1.0~1.6倍、60m超では1.6倍するなど、割増すことを推奨している。
「第10章 基礎構造」では常時、中地震時、大地震時において基礎に求める性能の一例として、沈下、移動、傾斜に区分し、表⑩に示す中地震に対しては継続使用に有害な変形を生じさせない、大地震時には安全性に影響する変形を生じさせないこと、などを求めている。また、中高層建物においては基礎の被害は人命に影響する大きな災害につながる可能性があり、建物重量が大きいため基礎の被害の修復は困難であることから、好ましくない破壊モードを表⑪に×印で示し、中高層建物における基礎の被害の抑制を求めている。
地震時における杭応力の算定方法は表⑫に示すさまざまな方法がある。弾性支承梁としての算定方法(Changの式)は最も旧くから用いられている方法で、杭剛性と地盤バネから求める方法である。Bromsの方法は杭の極限水平抵抗を求める方法である。杭・地盤モデルは地盤を層ごとのバネに置換して解析する方法である。応答変位法は軟弱地盤における杭応力を算定する場合に用いる。動的解析では建物、杭、地盤をモデル化し、地震応答解析により直接的に杭応力を求めることができる。いずれの解析においても土のモデル化により計算結果が支配され、土の性状は地震時の地中に生じる歪みに応じて大きく変化するため解析は可能であるが、計算結果の妥当の検証は十分に行われているとはいえない。したがって、現状においては杭の設計は支持力の確保を最優先とし、地震時の横抵抗は数値計算に頼ることなく強度・靭性に優れた杭種を選定することが重要である。
「第11章および第12章」は都内の確認審査が効率的に行えるように、統一的な審査の要領を定め、公表している。特に12章については、都内において平面、立面形状が複雑な上に、隣棟間隔が狭い中高層建物が建設されている地域が、臨海部の軟弱地盤地域等に存在することを踏まえて、地域特性に配慮した構造審査の要領となっている。
中高層建築物審査要領では、加速度が150cm/sec2以上および350cm/sec2以上の地震動に対する地盤の液状化判定を行い、これを踏まえた基礎の設計、建物高さに応じた必要保有耐力の割増し、大地震時の基礎の検討などを求めている。また、基礎審査要領では、都全域の地盤状況や過去の地震被害に鑑みた杭の支持力算定式、軟弱地盤での対応方針や要領を掲載している。
まとめ
能登半島地震における杭基礎建物の倒壊は、国内ではこれまでに見られなかった被害であり、その原因は今後の調査を待つ必要がある。杭基礎に求められる最も重要な性能は支持力である。1スパン架構の建物では、大地震時に片側の基礎が浮上る場合には反対側の基礎には常時の2倍の軸力が作用する。国内の基礎は3倍の安全率で設計されているため、適切に設計されていれば通常は建物は転倒しない。東京都では昭和41(1966)年に『建築構造設計指針』が発刊され、旧くから建物および基礎の安全性の確保を求めてきた。この指針は建築基準法で定められている最低性能を上回る性能を求めていることが指摘されたこともあったが、中高層建物が林立する都市に発展した現在を踏まえると、指針は一定の役割を果たしたと考えている。しかしながら、建物基礎は地震時の動的性状が十分に把握できていない土を対象に設計するため、耐震設計上の未知の領域があり、今後の研究成果を踏まえて必要な手直しを積み重ねる必要があると考えている。
1)『既存鉄筋コンクリート造建築物の耐震診断基準改修設計指針適用の手引』国土交通省住宅局建築指導課監修、(財)日本建築防災協会刊、2001年
2)『既存建物基礎の耐震診断に関する一提案』井出豊、藤村勝他、1997年建築学会大会、日本建築学会技術報告集5巻8号、1999年
3)『建築構造設計指針』(2019年版)、東京都建築構造行政連絡会監修、東京都建築士事務所協会刊、2019年
2)『既存建物基礎の耐震診断に関する一提案』井出豊、藤村勝他、1997年建築学会大会、日本建築学会技術報告集5巻8号、1999年
3)『建築構造設計指針』(2019年版)、東京都建築構造行政連絡会監修、東京都建築士事務所協会刊、2019年

藤村 勝(ふじむら・まさる)
東京都建築建築安全支援協会管理建築士
1949年 長野県生まれ/1972年 日本大学理工学部建築学科卒業後、竹中工務店東京本店設計部入社/現在、東京都建築安全支援協会管理建築士
1949年 長野県生まれ/1972年 日本大学理工学部建築学科卒業後、竹中工務店東京本店設計部入社/現在、東京都建築安全支援協会管理建築士
カテゴリー:東京都建築士事務所協会関連
タグ:支援協会








